Tension Dynamometer PCE-HFG 1K

Tension Dynamometer PCE-HFG 1K
Tension dynamometer with analog scale / Compact for small installation spaces /

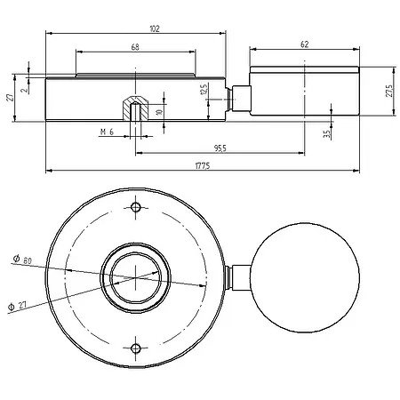
Drag pointer / With mounting holes / 27 mm ring opening

 

A tension dynamometer is based on the principle that the force acting on the pressure adapter is measured hydraulically. The hydraulic pressure generated is displayed by the force measuring device on a scale in Newtons. With the integrated drag pointer, our force measuring device can display the respective maximum measured value.
 
Another special feature of the force measuring device is the 27 mm ring opening. With this ring opening, measurements can be carried out with the force measuring device on, for example, guide rails, shafts and also bolts of, for example, a hydraulic press. With the insertable punch adapter, the force measuring device can be converted from a ring force measuring device into a pressure punch force measuring device in a matter of seconds. The force transducer can therefore be used flexibly.
 
A force measuring device is used wherever forces act that are to be measured. A force measuring device is therefore ideally suited for maintenance measurements and adjustment work on, for example, industrial machines.

 

Highlights

- Stainless steel force gauge
- Measurement of static compressive forces
- Ring force transducer and pressure adapter
- Screw mount for axial assembly
- Integrated drag pointer
- Pressure force display in Newton [N]

Specification

Measuring range 0 … 1,000 N / 225 lbs
Resolution 20 N / 4.5 lbs
Measuring accuracy ±2.5% of the measuring range
Dimensions of the display        Ø 55 mm
Mounting holes 2 x M6
Ambient conditions 0 … 50°C / 32 ... 122°F
Ask about this product